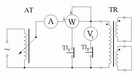
Meraním nakrátko zisťujeme v transformátore straty nakrátko P1k , napätie nakrátko U1k a účinník nakrátko cosjk. Transformátor môžeme napájať z ľubovoľnej strany, ale najčastejšie ho napájame zo strany vyššieho napätia podľa schémy :

Pri meraní spojíme všetky výstupné vinutia nakrátko hrubými krátkymi vodičmi a aby sme nemerali aj úbytky napätia vo vodičoch, pripájame voltmeter a napäťovú cievku wattmetra priamo na svorky transformátora.
Regulačným autotransformátorom AT nastavíme také napätie, pri ktorom tečie primárnym vinutím menovitý prúd I1n. Teda, ak I1k = I1n , potom straty nakrátko P1k a napätie nakrátko U1k ja menovité napätie nakrátko Ukn. Takto získaná hodnota napätia nakrátko U1k, sa často udáva v % voči menovitému napätiu U1n.
[%] Pri meraní príkonu nakrátko P1k meriame vlastne aj straty v prístrojoch , v napäťovej cievke wattmetra a voltmetra :
| kde | PW ...... je výkon odčítaný na wattmetri |
| RVW .... je odpor napäťovej cievky wattmetra | |
| RV ...... je odpor voltmetra |
Príkon nakrátko P1k, ktorý transformátor pri meraní nakrátko odoberá zo siete, sa spotrebuje a krytie strát v železe PFe a strát vo vinutiach PCu . Pretože pri meraní nakrátko dosahuje napätie U1k malé hodnoty , je aj sýtenie železa malé a straty v železe sú zanedbateľné. Naopak, straty vo vinutiach sú závislé od štvorca prúdu, ktorý je pri meraní nakrátko veľký a preto považujeme zhruba celé straty nakrátko P1k za straty vo vinutiach ( PCu = R1 . I1k2).
Niekedy je výhodné poznať priebeh prúdu nakrátko I1k, príkonu nakrátko P1k a účinníka nakrátko cosjk v závislosti od zmeny vstupného napätia U1. V tomto prípade regulačným autotransformátorom nastavujeme postupne také napätia, aby sa pri nich menil prúd primárneho vinutia v rozsahu 0,2 až 1,25 nominálneho prúdu I1n. Pritom zaznamenávame hodnoty napätia, prúdu a príkonu a vypočítame zodpovedajúci účinníka cosjk .
Meranie musí prebiehať čo najrýchlejšie, aby sa vinutia zbytočne neohrievali a nezväčšoval sa tak ich odpor. Chyby metódy spôsobujú odpor voltmetra a napäťová cievka wattmetra. Stlačením Tl1 a Tl2 sa presvedčíme, či chyba prúdu spôsobená odporom voltmetra a napäťovej cievky wattmetra je zanedbateľná (nesmie vzniknúť viditeľná zmena na údaji ampérmetra.) Pri odčítaní prúdu z ampérmetra stlačíme obidve tlačidlá Tl1 a Tl2 , pri odčítaní príkonu z wattmetra len tlačidlo Tl2 . Z nameraných hodnôt vypočítame ďalšie veličiny uvedené vyššie v teoretickom rozbore.
